Quality Metal Products and Services
Call For Free Quote!
519-688-0985
LOGOUT
DEALER LOGIN
MENU
DEALER LOGIN
Home
Products
My Account
Contact
Shop By Category
Metal Panels & Flat stock
Metal Trims
Screws
Caulking Sealents
Closures & Sealers / Vented Closures
Colour Chart
Lumber
Master Flash
Plastics
Poly Rebar
Rivets Stainless Steel
Roof Vents And Louver Vents
Sliding Door Hardware
Snow Guards
Styrofoams
Tools - Tin Snips & Other
Touch Up Paint
Trough & Accessories
Underlayment
/
Products
/
Metal Panels & Flat stock
/
Standing Seam Panels
/
Standing Seam Clips
/
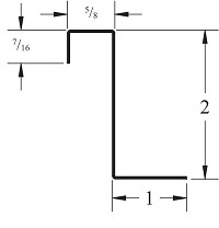
Standing Seam Roof Clip 2" tall x3" W.- Galvanized
Click Image to Expand
Previous
Next
Standing Seam Roof Clip 2" tall x3" W.- Galvanized
Product ID: MSC2
Selected accessories will also be added to cart
Details
Fixed Clip design for Quadro Pro machine. 2" tall, 3" long, 5/8 wide top leg made from 22 gauge galvanized steel material. Suggested use for roof planes less than 40 feet.