Quality Metal Products and Services
Call For Free Quote!
519-688-0985
LOGOUT
DEALER LOGIN
MENU
DEALER LOGIN
Home
Products
My Account
Contact
Shop By Category
Metal Panels & Flat stock
Metal Trims
Screws
Caulking Sealents
Closures & Sealers / Vented Closures
Colour Chart
Lumber
Master Flash
Plastics
Poly Rebar
Rivets Stainless Steel
Roof Vents And Louver Vents
Sliding Door Hardware
Snow Guards
Styrofoams
Tools - Tin Snips & Other
Touch Up Paint
Trough & Accessories
Underlayment
/
Products
/
Metal Trims
/
Colorbond Trim (Tuff/Diamond Rib)
/
Click Here For Colorbond Black
/
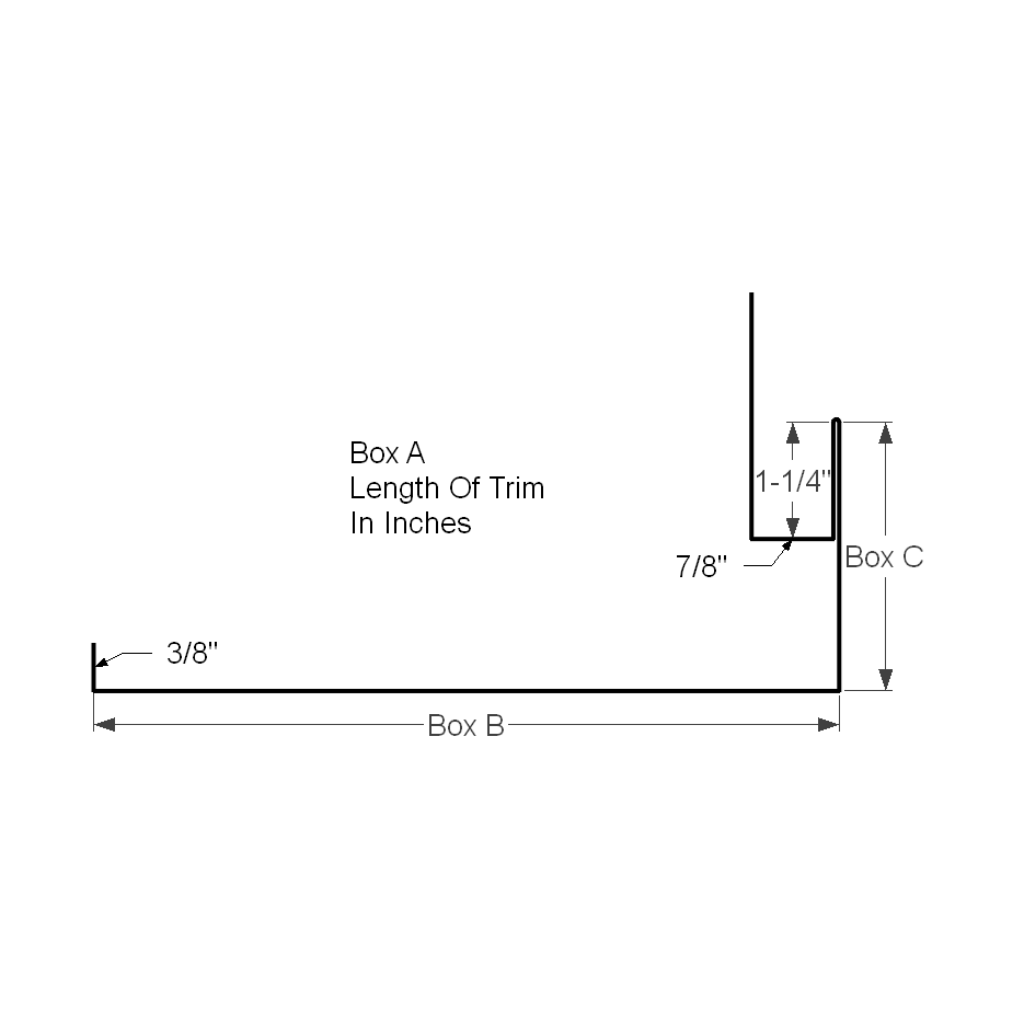
Jamb Trim with J, with Ninety (Custom Length) COLORBOND Black
Jamb Trim with J, with Ninety (Custom Length) COLORBOND Black
Product ID: TJTWJNCLCBL
Enlarge Photo
Selected accessories will also be added to cart
Quantity: