Showing 1 - 150 of 17212Next >
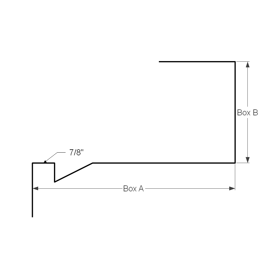
Left Hand Corner Box Large  Galvalume
Use this corner box on overhangs between 12" Gable x 16" Eave and 18" Gable x 18" Eave @ 4/12 pitch or less.
If Gable is 12" or less and Eave is 16" or less and pitch is 4/12 or less, use TCBM.
If Gable is more than 18" or Eave more than 18" or if pitch is more than 4/12, use TCBXL.
If overhangs are between 12" Gable x 16" Eave and 18" Gable x 18" Eave but pitch is more than 4/12, use TCBXL.
TCBLLHGL
Left Hand Corner Box Medium  Galvalume
Use this corner box on overhangs between 8" Gable x 12" Eave and 12" Gable x 16" Eave @ 4/12 pitch or less.
If Gable is 8" or less and Eave is 12" or less and pitch is 4/12 or less, use TCBS.
If Gable is more than 12" or Eave more than 16" or if pitch is more then 4/12, use TCBL.
If overhangs are between 8" Gable x 12" Eave and 12" Gable x 16" Eave but pitch is more than 4/12, use TCBL.
TCBMLHGL
Left Hand Corner Box Small  Galvalume
Use this corner box on overhangs up to 8" Gable x 12" Eave @ 4/12 pitch or less.
If Gable is more than 8" or Eave more than 12" or if pitch is more than 4/12, use TCBM.
On overhangs up to 8" Gable x 12" Eave but pitch is more than 4/12 use TCBM.
TCBSLHGL
Left Hand Corner Cap Large  Galvalume
Use this corner cap on overhangs larger than 12" Gable x 16" Eave @ 4/12 pitch or less.
If Gable is 12" or less and Eave is 16" or less and pitch is 4/12 or less, use TCCM.
If pitch is more than 4/12 call for pricing.
TCCLLHGL
Left Hand Corner Cap Medium  Galvalume
Use this corner cap on overhangs between 8" Gable x 12" Eave and 12" Gable x 16" Eave @ 4/12 pitch or less.
If Gable is 8" or less and Eave is 12" or less and pitch is 4/12 or less, use TCCS.
If Gable is more than 12" or Eave more than 16" or if pitch is more than 4/12, use TCCL.
If overhangs are between 8" Gable x 12" Eave and 12" Gable x 16" Eave but pitch is more than 4/12, use TCCL.
TCCMLHGL
Left Hand Corner Cap Small  Galvalume
Use this corner cap on overhangs up to 8" Gable x 12" Eave @ 4/12 pitch or less.
If Gable is more than 8" or Eave more than 12" or if pitch is more than 4/12, use TCCM.
On overhangs up to 8" Gable x 12" Eave but pitch is more than 4/12, use TCCM.
TCCSLHGL
Left Hand Drop-Face Corner Box Large  Galvalume
Use this corner box on overhangs between 12" Gable x 16" Eave and 18" Gable x 18" Eave @ 4/12 pitch or less.
If Gable is 12" or less and Eave is 16" or less and pitch is 4/12 or less, use TDCBM.
If Gable is more than 18" or Eave more than 18" or if pitch is more than 4/12, use TDCBXL.
If overhangs are between 12" Gable x 16" Eave and 18" Gable x 18" Eave but pitch is more than 4/12, use TDCBXL.
TDCBLLHGL
Left Hand Drop-Face Corner Box Medium  Galvalume
Use this corner box on overhangs between 8" Gable x 12" Eave and 12" Gable x 16" Eave @ 4/12 pitch or less.
If Gable is 8" or less and Eave is 12" or less and pitch is 4/12 or less, use TDCBS.
If Gable is more than 12" or Eave more than 16" or if pitch is more than 4/12, use TDCBL.
If overhangs are between 8" Gable x 12" Eave and 12" Gable x 16" Eave but pitch is more than 4/12, use TDCBL.
TDCBMLHGL
Left Hand Drop-Face Corner Box Small  Galvalume
Use this corner box on overhangs up to 8" Gable x 12" Eave @ 4/12 pitch or less.
If Gable is more than 8" or Eave more than 12" or if pitch is more than 4/12, use TDCBM.
On overhangs up to 8" Gable x 12" Eave but pitch is more than 4/12, use TDCBM.
TDCBSLHGL
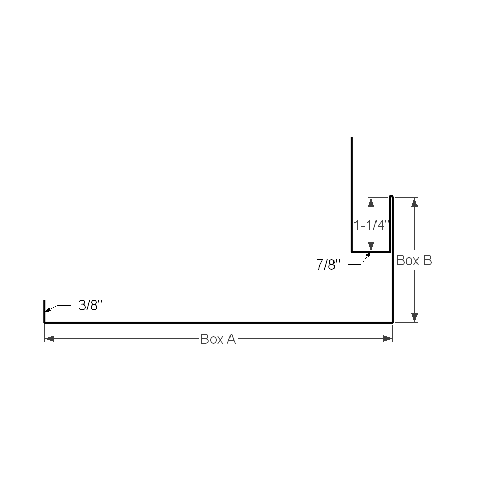
Left Hand Drop-Face Corner Cap Medium  Galvalume
Use this corner box on overhangs between 8" Gable x 12" Eave and 12" Gable x 16" Eave @ 4/12 pitch or less.
If Gable is 8" or less and Eave is 12" or less and pitch is 4/12 or less, use TDCCS.
If Gable is more than 12" or Eave more than 16" or if pitch is more than 4/12, use TDCCL.
If overhangs are between 8" Gable x 12" Eave and 12" Gable x 16" Eave but pitch is more than 4/12, use TDCCL.
TDCCMLHGL
Left Hand Drop-Face Corner Cap Small  Galvalume
Use this corner cap on overhangs up to 8" Gable x 12" Eave @ 4/12 pitch or less.
If Gable is more than 8" or Eave more than 12" or if pitch is more than 4/12, use TDCCM.
On overhangs up to 8" Gable x 12" Eave but pitch is more than 4/12, use TDCCM.
TDCCSLHGL
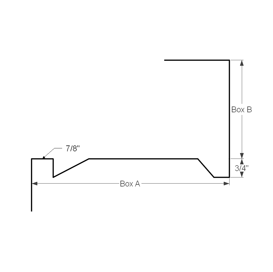
Right Hand Corner Box Large  Galvalume
Use this corner box on overhangs between 12" Gable x 16" Eave and 18" Gable x 18" Eave @ 4/12 pitch or less.
If Gable is 12" or less and Eave is 16" or less and pitch is 4/12 or less, use TCBM.
If Gable is more than 18" or Eave more than 18" or if pitch is more than 4/12, use TCBXL.
If overhangs are between 12" Gable x 16" Eave and 18" Gable x 18" Eave but pitch is more than 4/12, use TCBXL.
TCBLRHGL
Right Hand Corner Box Medium  Galvalume
Use this corner box on overhangs between 8" Gable x 12" Eave and 12" Gable x 16" Eave @ 4/12 pitch or less.
If Gable is 8" or less and Eave is 12" or less and pitch is 4/12 or less, use TCBS.
If Gable is more than 12" or Eave more than 16" or if pitch is more then 4/12, use TCBL.
If overhangs are between 8" Gable x 12" Eave and 12" Gable x 16" Eave but pitch is more than 4/12, use TCBL.
TCBMRHGL
Right Hand Corner Box Small  Galvalume
Use this corner box on overhangs up to 8" Gable x 12" Eave @ 4/12 pitch or less.
If Gable is more than 8" or Eave more than 12" or if pitch is more than 4/12, use TCBM.
On overhangs up to 8" Gable x 12" Eave but pitch is more than 4/12 use TCBM.
TCBSRHGL
Right Hand Corner Cap Large  Galvalume
Use this corner cap on overhangs larger than 12" Gable x 16" Eave @ 4/12 pitch or less.
If Gable is 12" or less and Eave is 16" or less and pitch is 4/12 or less, use TCCM.
If pitch is more than 4/12 call for pricing.
TCCLRHGL
Right Hand Corner Cap Medium  Galvalume
Use this corner cap on overhangs between 8" Gable x 12" Eave and 12" Gable x 16" Eave @ 4/12 pitch or less.
If Gable is 8" or less and Eave is 12" or less and pitch is 4/12 or less, use TCCS.
If Gable is more than 12" or Eave more than 16" or if pitch is more than 4/12, use TCCL.
If overhangs are between 8" Gable x 12" Eave and 12" Gable x 16" Eave but pitch is more than 4/12, use TCCL.
TCCMRHGL
Right Hand Corner Cap Small  Galvalume
Use this corner cap on overhangs up to 8" Gable x 12" Eave @ 4/12 pitch or less.
If Gable is more than 8" or Eave more than 12" or if pitch is more than 4/12, use TCCM.
On overhangs up to 8" Gable x 12" Eave but pitch is more than 4/12, use TCCM.
TCCSRHGL
Showing 1 - 150 of 17212Next >