Showing 1 - 150 of 17212Next >
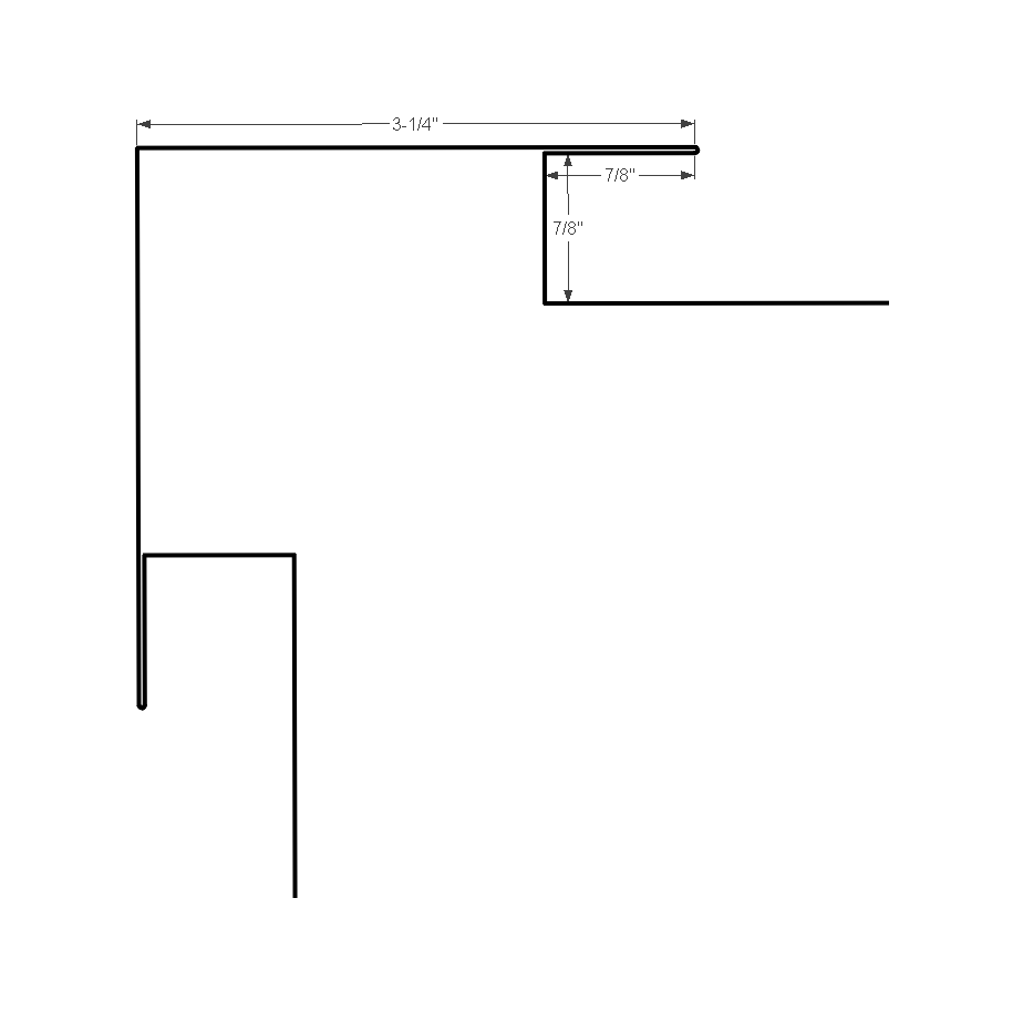
Left Hand Corner Box Large  COLORBOND Bronze
Use this corner box on overhangs between 12" Gable x 16" Eave and 18" Gable x 18" Eave @ 4/12 pitch or less.
If Gable is 12" or less and Eave is 16" or less and pitch is 4/12 or less, use TCBM.
If Gable is more than 18" or Eave more than 18" or if pitch is more than 4/12, use TCBXL.
If overhangs are between 12" Gable x 16" Eave and 18" Gable x 18" Eave but pitch is more than 4/12, use TCBXL.
TCBLLHCBZ
Left Hand Corner Box Medium  COLORBOND Bronze
Use this corner box on overhangs between 8" Gable x 12" Eave and 12" Gable x 16" Eave @ 4/12 pitch or less.
If Gable is 8" or less and Eave is 12" or less and pitch is 4/12 or less, use TCBS.
If Gable is more than 12" or Eave more than 16" or if pitch is more then 4/12, use TCBL.
If overhangs are between 8" Gable x 12" Eave and 12" Gable x 16" Eave but pitch is more than 4/12, use TCBL.
TCBMLHCBZ
Left Hand Corner Box Small  COLORBOND Bronze
Use this corner box on overhangs up to 8" Gable x 12" Eave @ 4/12 pitch or less.
If Gable is more than 8" or Eave more than 12" or if pitch is more than 4/12, use TCBM.
On overhangs up to 8" Gable x 12" Eave but pitch is more than 4/12 use TCBM.
TCBSLHCBZ
Left Hand Corner Cap Large  COLORBOND Bronze
Use this corner cap on overhangs larger than 12" Gable x 16" Eave @ 4/12 pitch or less.
If Gable is 12" or less and Eave is 16" or less and pitch is 4/12 or less, use TCCM.
If pitch is more than 4/12 call for pricing.
TCCLLHCBZ
Left Hand Corner Cap Medium  COLORBOND Bronze
Use this corner cap on overhangs between 8" Gable x 12" Eave and 12" Gable x 16" Eave @ 4/12 pitch or less.
If Gable is 8" or less and Eave is 12" or less and pitch is 4/12 or less, use TCCS.
If Gable is more than 12" or Eave more than 16" or if pitch is more than 4/12, use TCCL.
If overhangs are between 8" Gable x 12" Eave and 12" Gable x 16" Eave but pitch is more than 4/12, use TCCL.
TCCMLHCBZ
Left Hand Corner Cap Small  COLORBOND Bronze
Use this corner cap on overhangs up to 8" Gable x 12" Eave @ 4/12 pitch or less.
If Gable is more than 8" or Eave more than 12" or if pitch is more than 4/12, use TCCM.
On overhangs up to 8" Gable x 12" Eave but pitch is more than 4/12, use TCCM.
TCCSLHCBZ
Left Hand Drop-Face Corner Box Large  COLORBOND Bronze
Use this corner box on overhangs between 12" Gable x 16" Eave and 18" Gable x 18" Eave @ 4/12 pitch or less.
If Gable is 12" or less and Eave is 16" or less and pitch is 4/12 or less, use TDCBM.
If Gable is more than 18" or Eave more than 18" or if pitch is more than 4/12, use TDCBXL.
If overhangs are between 12" Gable x 16" Eave and 18" Gable x 18" Eave but pitch is more than 4/12, use TDCBXL.
TDCBLLHCBZ
Left Hand Drop-Face Corner Box Medium  COLORBOND Bronze
Use this corner box on overhangs between 8" Gable x 12" Eave and 12" Gable x 16" Eave @ 4/12 pitch or less.
If Gable is 8" or less and Eave is 12" or less and pitch is 4/12 or less, use TDCBS.
If Gable is more than 12" or Eave more than 16" or if pitch is more than 4/12, use TDCBL.
If overhangs are between 8" Gable x 12" Eave and 12" Gable x 16" Eave but pitch is more than 4/12, use TDCBL.
TDCBMLHCBZ
Left Hand Drop-Face Corner Box Small  COLORBOND Bronze
Use this corner box on overhangs up to 8" Gable x 12" Eave @ 4/12 pitch or less.
If Gable is more than 8" or Eave more than 12" or if pitch is more than 4/12, use TDCBM.
On overhangs up to 8" Gable x 12" Eave but pitch is more than 4/12, use TDCBM.
TDCBSLHCBZ
Left Hand Drop-Face Corner Cap Medium  COLORBOND Bronze
Use this corner box on overhangs between 8" Gable x 12" Eave and 12" Gable x 16" Eave @ 4/12 pitch or less.
If Gable is 8" or less and Eave is 12" or less and pitch is 4/12 or less, use TDCCS.
If Gable is more than 12" or Eave more than 16" or if pitch is more than 4/12, use TDCCL.
If overhangs are between 8" Gable x 12" Eave and 12" Gable x 16" Eave but pitch is more than 4/12, use TDCCL.
TDCCMLHCBZ
Left Hand Drop-Face Corner Cap Small  COLORBOND Bronze
Use this corner cap on overhangs up to 8" Gable x 12" Eave @ 4/12 pitch or less.
If Gable is more than 8" or Eave more than 12" or if pitch is more than 4/12, use TDCCM.
On overhangs up to 8" Gable x 12" Eave but pitch is more than 4/12, use TDCCM.
TDCCSLHCBZ
Right Hand Corner Box Large  COLORBOND Bronze
Use this corner box on overhangs between 12" Gable x 16" Eave and 18" Gable x 18" Eave @ 4/12 pitch or less.
If Gable is 12" or less and Eave is 16" or less and pitch is 4/12 or less, use TCBM.
If Gable is more than 18" or Eave more than 18" or if pitch is more than 4/12, use TCBXL.
If overhangs are between 12" Gable x 16" Eave and 18" Gable x 18" Eave but pitch is more than 4/12, use TCBXL.
TCBLRHCBZ
Right Hand Corner Box Medium  COLORBOND Bronze
Use this corner box on overhangs between 8" Gable x 12" Eave and 12" Gable x 16" Eave @ 4/12 pitch or less.
If Gable is 8" or less and Eave is 12" or less and pitch is 4/12 or less, use TCBS.
If Gable is more than 12" or Eave more than 16" or if pitch is more then 4/12, use TCBL.
If overhangs are between 8" Gable x 12" Eave and 12" Gable x 16" Eave but pitch is more than 4/12, use TCBL.
TCBMRHCBZ
Right Hand Corner Box Small  COLORBOND Bronze
Use this corner box on overhangs up to 8" Gable x 12" Eave @ 4/12 pitch or less.
If Gable is more than 8" or Eave more than 12" or if pitch is more than 4/12, use TCBM.
On overhangs up to 8" Gable x 12" Eave but pitch is more than 4/12 use TCBM.
TCBSRHCBZ
Right Hand Corner Cap Large  COLORBOND Bronze
Use this corner cap on overhangs larger than 12" Gable x 16" Eave @ 4/12 pitch or less.
If Gable is 12" or less and Eave is 16" or less and pitch is 4/12 or less, use TCCM.
If pitch is more than 4/12 call for pricing.
TCCLRHCBZ
Right Hand Corner Cap Medium  COLORBOND Bronze
Use this corner cap on overhangs between 8" Gable x 12" Eave and 12" Gable x 16" Eave @ 4/12 pitch or less.
If Gable is 8" or less and Eave is 12" or less and pitch is 4/12 or less, use TCCS.
If Gable is more than 12" or Eave more than 16" or if pitch is more than 4/12, use TCCL.
If overhangs are between 8" Gable x 12" Eave and 12" Gable x 16" Eave but pitch is more than 4/12, use TCCL.
TCCMRHCBZ
Right Hand Corner Cap Small  COLORBOND Bronze
Use this corner cap on overhangs up to 8" Gable x 12" Eave @ 4/12 pitch or less.
If Gable is more than 8" or Eave more than 12" or if pitch is more than 4/12, use TCCM.
On overhangs up to 8" Gable x 12" Eave but pitch is more than 4/12, use TCCM.
TCCSRHCBZ
Showing 1 - 150 of 17212Next >